Manuels et documents techniques en Français : notice, mode d'emploi, manuel utilisateur, manuel de service, manuel de réparation, schémas, vues éclatées, catalogue des pièces détachées, codes erreur, des millions de documents techniques
des millions de manuels disponibles




Recherche de solutions de dépannage pour

 

Comment utiliser ? Comment installer ? Comment réparer ? Pièces détachées ? Les schémas ?
Manuel utilisateur
VERTS LOISIRS P56BR
Manuel d'installation
VERTS LOISIRS P56BR
Manuel de service
VERTS LOISIRS P56BR
Vues explosées
VERTS LOISIRS P56BR
Diagrammes
VERTS LOISIRS P56BR
Commander > Commander > Commander > Commander > Commander >
 
 
VERTS LOISIRS P56BR - Support SAV (Service Après-vente)
 
Dépannage entre utilisateurs

VERTS LOISIRS P56BR
Date de fabrication : 2017
Recherché par c***y@o******e.fr. le 03 04 2026
Niveau de satisfaction :
Possède et en est très satisfait
Commentaires éventuels :
mise à niveau

Aucune réponse d'utilisateur pour l'instant
 
Aucune réponse d'expert pour l'instant
 
Résultats dans notre base de données :

Manuel Pièces détachées & Vues éclatées - Français
VERTS LOISIRS VL 390 H 36B (VL390H36B) >
Vues explosées et catalogue des pièces détachées VERTS LOISIRS VL 390 H 36B (VL390H36B) - Ce manuel des pièces détachées contient les vues éclatées de l'appareil et la liste des pièces. Ce manuel est particulièrement utile pour démonter et remonter l'appareil ou pour changer une pièce défectueuse. Des pièces de rechange peuvent être commandées en ligne sur Internet.


   (Array) -  - Télécharger PDF / ZIP
Mode d'emploi - Français
VERTS LOISIRS VLB145H97 >
Manuel utilisateur VERTS LOISIRS VLB145H97 - Cette notice d'utilisation originale (ou mode d'emploi ou manuel utilisateur) contient toutes les instructions nécessaires à l'utilisation de l'appareil. La notice décrit les différentes fonctions ainsi que les principales causes de dysfontionnement. Bien utiliser l'appareil permet de préserver la garantie légale constructeur.


   (Array) -  - Télécharger PDF / ZIP
Mode d'emploi - Anglais
VERTS LOISIRS VLB145H97 >
Manuel utilisateur VERTS LOISIRS VLB145H97 - Cette notice d'utilisation originale (ou mode d'emploi ou manuel utilisateur) contient toutes les instructions nécessaires à l'utilisation de l'appareil. La notice décrit les différentes fonctions ainsi que les principales causes de dysfontionnement. Bien utiliser l'appareil permet de préserver la garantie légale constructeur.


   (Array) -  - Télécharger PDF / ZIP
Mode d'emploi - Espagnol
VERTS LOISIRS VLB145H97 >
Manuel utilisateur VERTS LOISIRS VLB145H97 - Cette notice d'utilisation originale (ou mode d'emploi ou manuel utilisateur) contient toutes les instructions nécessaires à l'utilisation de l'appareil. La notice décrit les différentes fonctions ainsi que les principales causes de dysfontionnement. Bien utiliser l'appareil permet de préserver la garantie légale constructeur.


   (Array) -  - Télécharger PDF / ZIP
Mode d'emploi - Allemand
VERTS LOISIRS VLB145H97 >
Manuel utilisateur VERTS LOISIRS VLB145H97 - Cette notice d'utilisation originale (ou mode d'emploi ou manuel utilisateur) contient toutes les instructions nécessaires à l'utilisation de l'appareil. La notice décrit les différentes fonctions ainsi que les principales causes de dysfontionnement. Bien utiliser l'appareil permet de préserver la garantie légale constructeur.


   (Array) -  - Télécharger PDF / ZIP
Mode d'emploi -
VERTS LOISIRS VLB145H97 >
Manuel utilisateur VERTS LOISIRS VLB145H97 - Cette notice d'utilisation originale (ou mode d'emploi ou manuel utilisateur) contient toutes les instructions nécessaires à l'utilisation de l'appareil. La notice décrit les différentes fonctions ainsi que les principales causes de dysfontionnement. Bien utiliser l'appareil permet de préserver la garantie légale constructeur.


   (Array) -  - Télécharger PDF / ZIP
Mode d'emploi -
VERTS LOISIRS VLB145H97 >
Manuel utilisateur VERTS LOISIRS VLB145H97 - Cette notice d'utilisation originale (ou mode d'emploi ou manuel utilisateur) contient toutes les instructions nécessaires à l'utilisation de l'appareil. La notice décrit les différentes fonctions ainsi que les principales causes de dysfontionnement. Bien utiliser l'appareil permet de préserver la garantie légale constructeur.


   (Array) -  - Télécharger PDF / ZIP
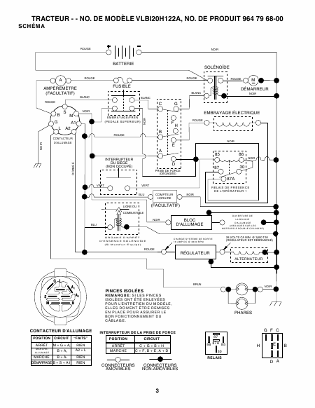
Manuel Pièces détachées & Vues éclatées - Français
VERTS LOISIRS VLBI20H122A >
Vues explosées et catalogue des pièces détachées VERTS LOISIRS VLBI20H122A - Ce manuel des pièces détachées contient les vues éclatées de l'appareil et la liste des pièces. Ce manuel est particulièrement utile pour démonter et remonter l'appareil ou pour changer une pièce défectueuse. Des pièces de rechange peuvent être commandées en ligne sur Internet.


   (Array) -  - Télécharger PDF / ZIP
Manuel Pièces détachées & Vues éclatées - Français
VERTS LOISIRS VLH13H36A (2001) >
Vues explosées et catalogue des pièces détachées VERTS LOISIRS VLH13H36A (2001) - Ce manuel des pièces détachées contient les vues éclatées de l'appareil et la liste des pièces. Ce manuel est particulièrement utile pour démonter et remonter l'appareil ou pour changer une pièce défectueuse. Des pièces de rechange peuvent être commandées en ligne sur Internet.


   (Array) -  - Télécharger PDF / ZIP
Manuel Pièces détachées & Vues éclatées - Français
VERTS LOISIRS VLH17H107C >
Vues explosées et catalogue des pièces détachées VERTS LOISIRS VLH17H107C - Ce manuel des pièces détachées contient les vues éclatées de l'appareil et la liste des pièces. Ce manuel est particulièrement utile pour démonter et remonter l'appareil ou pour changer une pièce défectueuse. Des pièces de rechange peuvent être commandées en ligne sur Internet.

 


Comment utiliser ? Comment installer ? Comment réparer ? Pièces détachées ? Les schémas ?
\"VERTS_LOISIRS_P56BR_Manuel_Utilisateur_Emploi.png\" \"VERTS_LOISIRS_P56BR_Manuel_Installation_.png\" \"VERTS_LOISIRS_P56BR_Manuel_Service_Atelier_Reparation.png\" \"VERTS_LOISIRS_P56BR_Liste_Pieces_Detachees_Vues_Explosees.png\" \"VERTS_LOISIRS_P56BR_Schemas_Electriques_Electroniques.png\"

Le mode d'emploi ou manuel utilisateur ou notice d'utilisaiton contient tout ce qu'il vous faut savoir pour optimiser l'utilisation VERTS LOISIRS P56BR en toute sécurité, ainsi que les fonctions spéciales et les codes d'erreur.

Le manuel d'installation ou notice de montage décrit les procédures pour mettre en service VERTS LOISIRS P56BR.

Vous souhaitez essayer de réparer vous-même VERTS LOISIRS P56BR ? Attention, celà peut être une opération à haut risque et peut annuler la garantie - Le manuel de service ou manuel d'atelier ou manuel de réparation vous donne toutes les modalités de démontage et les tests de panne à mener.

Pour changer une pièce VERTS LOISIRS P56BR, les vues explosées et la liste des pièces détachées permettent de visualiser tous les composants et le cas échéant de commander la pièce défectueuse.

Les schémas internes VERTS LOISIRS P56BR sont des informations réservées à des personnes possédant des bases en éléctronique et électricité. Ils permettent de détecter des pannes et de procéder aux réparations des circuits.
Télécharger > Télécharger > Télécharger > Télécharger > Télécharger >
 



Accueil - Recherche avancée - Aide - Les marques - Les matériels - Sélection - Forum - Téléchargement - Témoignages - Contact

Conditions d'utilisation - ©  2004-2026 Manuals Network Inc.
Tous les manuels gratuits disponibles >
Assistant de recherche >

Autres recherches récentes de manuels et notices : KARCHER HDS798C SAMSUNG SW65V5 TOSHIBA V232EF AIWA XR M150 GROUPE ELECTROGENE KAWASAKI FA 210 D PUI KERO POELE PETROLE PRIVILEG SUPER OKO MANITOU MT420 PANASONIC FZ45 P MOBILE NOGAMATIC CROSLEY ZIG ZAG PHILIPS PM 5508 PM5508 CARRIER 42PQV009S HUSQVARNA VIKING DESIGNER 1 EN FRANCAIS PARIS MONS BLABLACAR MIELE T453C MOULINEX SGDG AIRLUX FM36 JVC JVC RC QS10 SWINGERS WEST END BOSCH CTAT12 FAGOR LD945 BOSCH FD8701 NATHER ATLANTIC RSHEP8 THOMSON AS35 ALTYS CT 205 FAGOR 100L TOSHIBA E O A TOSHIBA CLIMATISEUR LAETELECHARGEMENT IMMEDIAT SAGEM SD 460 DAIKIN FANCOIL TV VECHLINE

VETUS (10) VETTA (1) VESTFROST (4) VESTEL (5) VESPA (3) VERTS LOISIRS (10) VERTEX STANDARD (1) VERTEX (1) VERNIER (1) VERMOREL (2) VERITAS (4) VERISURE (5) VERIFONE (5) VERCIEL (1) VENTUS (4) VENMAR (2) VELTA (3) VELOSOLEX (2) VEDETTE (33)